Alimentation de secours

Principe :

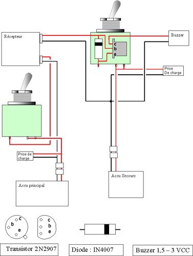
Un accu de secours* est rajout� sur une voie libre du r�cepteur, avec une diode (entre le r�cepteur et l'interrupteur) qui permet de passer sur l'accu de secours quand le principal est pass� en dessous  du voltage de l'accu de secours.

*Cet accu de secours peut remplacer le plomb de centrage.

Un transistor d�tecte le courant qui passe dans la diode et d�clenche le buzzer.

La diode produisant une chute de 0,6V , l'accu de secours bien charg� � 5V ne produit que 4,4V.   D�s que l'accu principal passe en dessous des 4,4V, la diode entre en jeu.

Fonctionnement :

Les accus "principal" et "secours" sont charg�s.

On bascule l'inter de secours, le buzzer se met � couiner.

On bascule l'inter principal, le buzzer s'arr�te.

Apr�s quelques heures de vol, si le buzzer se met � couiner, il est temps de rentrer. Vous avez sauv� votre avion.

De plus, si en manipulant votre avion (lanc� main) vous �teignez l'inter principal, �a couine : On pose tout !

Une prise mal branch�e, un mauvais contact, un fil coup� sur le circuit principal : la diode entre en jeu et �a couine !

Pratique :

On garde l'ensemble :

r�cepteur - interrupteur - accus principal -prise de charge

On ajoute sur une autre voie du r�cepteur

un interrupteur - un accus de secours - une prise de charge

et entre le r�cepteur et l'interrupteur :

une diode 1N4007, un transistor 2N2907 et un buzzer.

Le montage diode-transistor se faisant coll� avec du scotch double-faces  �pais, sur un c�t� de l'interrupteur.

Gainer les extr�mit�s des fils et les pattes de fixation pour �viter tout faux contact.